Zanechme napětí, dejte si cookies!

Abychom vám zpříjemnili návštěvu na našem e-shopu, využíváme cookies. To jsou malé soubory, které se dočasně uloží ve vašem prohlížeči. Díky tomu poznáme, jaké rozváděče vás zajímají a nebude mezi námi hrozit zkrat kvůli reklamě, která se vám nelíbí. Toto nastavení je možné kdykoliv změnit.

Cookies nastavení

Vaše soukromí je důležité. Můžete si vybrat nastavení cookies níže.

PRVO 2/6x20 43.1.3 pilíř (3D)

Novinka ČEZ EG.D
Kód produktu: 6221 43.1.3 Kód výrobce: 8595208646188 Kód dodavatele: 8595208646188 Výrobce: ELPLAST-KPZ
26 825,63 Kč
22 169,94 Kč bez DPH
152,46 Kč PHE - poplatek za recyklaci
do 2 týdnů

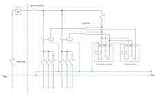
Rozváděč pro měření a ovládání veřejného osvětlení. Ovládání je zajištěno dvouokruhově fotobuňkou s časovou výsečí časového spínače pro šest vývodů z jističů 20A.

Zobraz detailní popis

Detailní popis

Rozvaděč pro měření a spínání veřejného osvětlení vhodný především pro VO v obcích, nebo částech měst.

Skříně PRVO jsou certifikovány EZÚ Praha. Jednotlivé skříně lze kombinovat i s jinými skříněmi systému 3D a lze je osazovat do plastových pilířů. Kombinaci však doporučujeme konzultovat s výrobcem. Řešení skříní je vhodné pro osazení do pilířů, nebo do fasád, kde tato sestava nenaruší vzhled, jako několik skříní různých rozměrů. Sestavy lze kombinovat s dveřmi na jeden nebo dva moduly.

Zapojení rozvaděčů je provedeno, není-li v objednávce specifikováno jinak, dle jednotlivých schémat v katalogu.

Obsah balení

  • 1ks hlavní jistič 40B-3
  • 1ks vypínač instalace 40A
  • 1ks jistič ovládání 2B-1
  • 6ks jistič vývodů 20B-1
  • 2ks stykač 25A
  • 1ks soumrakové čidlo SOU-1
  • 1ks časový spínač denní se zálohou chodu
  • 2ks přepínač ručního ovládání

Specifikační body

  • systém rozvaděčů 3D
  • pro měření a spínání veřejného osvětlení
  • robustní pevný kompozitní skelet z SMC
  • bezúdržbovost
  • jednoduché osazení bez zednických prací
  • kvalitní svorky Weidmüller
  • přístroje OEZ
  • elektroměrová část včetně vypínače instalace
  • 3 roky záruka

Technické parametry

Způsob připojení
Jmenovité napětí 500 V
Značka 3D
Jmenovitý proud 40 A
Počet fází 3
Způsob osazení pilíř
Stupeň krytí IP IP44
Stupeň mechanického krytí IK IK10
Jmenovitý kmitočet 50 Hz
Zkratová odolnost 10 kA
Typ zámku Jednobodový zámek se čtyřhranem 6x6 mm
Výška 1300 mm
Hloubka 240 mm
Šířka 550 mm
Materiál SMC
Připojovací průřez na přívodu 25 mm2
Typ svorky na přívodu P - konstrukční svorka
Počet vývodů 2
Počet jednosazbových elektroměrů 1
Připojovací průřez na vývodu 16 mm2
Typ svorky na vývodu P - konstrukční svorka

Hodnocení produktu

Produkt zatím nikdo nehodnotil, buďte první!