PRVO 2/3x20 3.1.1 vestavná (3D)
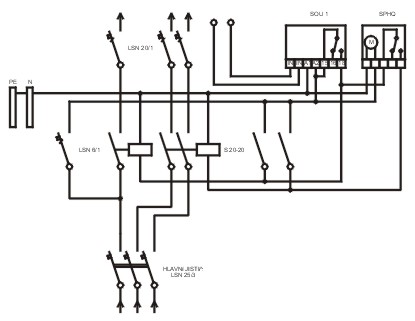
Rozvaděč pro ovládání VO (bez měření). Ovládání je zajištěno pro tři jednofázové vývody z jističů 20A/1f fotobuňkou s časovou výsečí časového spínače.

Poskytujeme záruku 3 roky
Příslušenství
Detailní popis
Elektroměrovou část je nutné, v případě požadavku, specifikovat jako samostatnou položku!
Rozvaděč pro spínání osvětlení vhodný především pro VO v již měřených areálech podniků, nebo po rozšíření o elektroměrovou část i pro VO v obcích, nebo částech měst.
Skříně PRVO jsou certifikovány EZÚ Praha. Jednotlivé skříně lze kombinovat i s jinými skříněmi systému 3D a lze je osazovat do plastových pilířů. Kombinaci však doporučujeme konzultovat s výrobcem. Řešení skříní je vhodné pro osazení do pilířů, nebo do fasád, kde tato sestava nenaruší vzhled, jako několik skříní různých rozměrů. Sestavy lze kombinovat s dveřmi na jeden nebo dva moduly.
Zapojení rozvaděčů je provedeno, není-li v objednávce specifikováno jinak, dle jednotlivých schémat v katalogu.
Obsah balení
- hlavní jistič LPN-25B-3
- jistič ovládání LPN-2B11
- jistič vývdů LPN-20B-1 3ks
- stykač RSI-20-20-A230 2ks
- soumrakové čidlo SOU-1 1ks
- časový spínač denní SPHQ 1ks
- spínač ručního ovládání 2ks
Specifikační body
- systém rozvaděčů 3D
- pro měření a spínání veřejného osvětlení
- robustní pevný kompozitní skelet z SMC
- bezúdržbovost
- snadné zazdění
- kvalitní svorky Weidmüller
- přístroje OEZ
- možnost rozšíření o elektroměrovou a přípojkovou skříň
- 3 roky záruka
Technické parametry
Způsob připojení | |
Značka | 3D |
Jmenovité napětí | 500 V |
Jmenovitý proud | 25 A |
Počet fází | 3 |
Způsob osazení | vestavná |
Stupeň krytí IP | IP44 |
Stupeň mechanického krytí IK | IK10 |
Jmenovitý kmitočet | 50 Hz |
Typ zámku | Jednobodový zámek se čtyřhranem 6x6 mm |
Zkratová odolnost | 10 kA |
Výška | 600 mm |
Hloubka | 240 mm |
Šířka | 290 mm |
Materiál | SMC |
Připojovací průřez na přívodu | 16 mm2 |
Typ svorky na přívodu | P - konstrukční svorka |
Počet vývodů | 1 |
Připojovací průřez na vývodu | 16 mm2 |
Typ svorky na vývodu | P - konstrukční svorka |
Hodnocení produktu
Produkt zatím nikdo nehodnotil, buďte první!